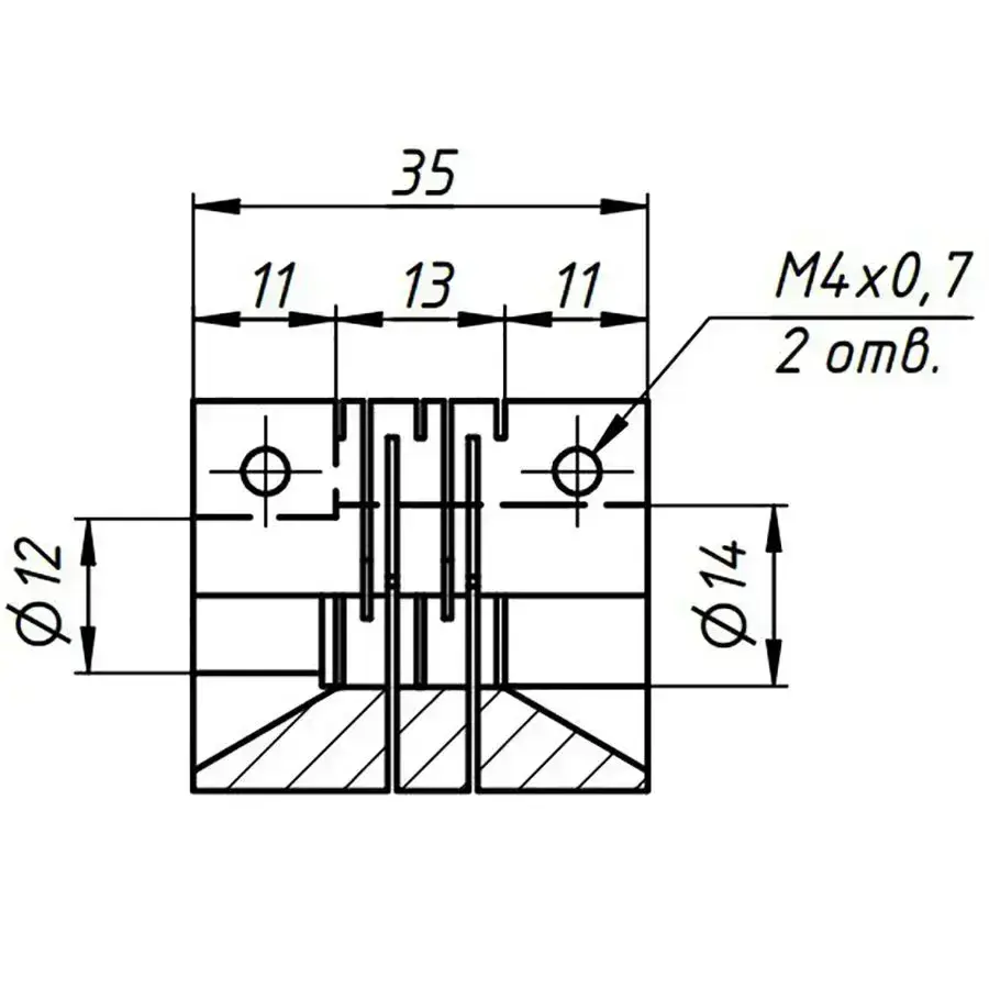
Характеристики
Отзывы
Характеристики
Бренд
Комплектующие для ЧПУ
Отзывы
Отзывов еще никто не оставлял
