Характеристики
Отзывы
Характеристики
Бренд
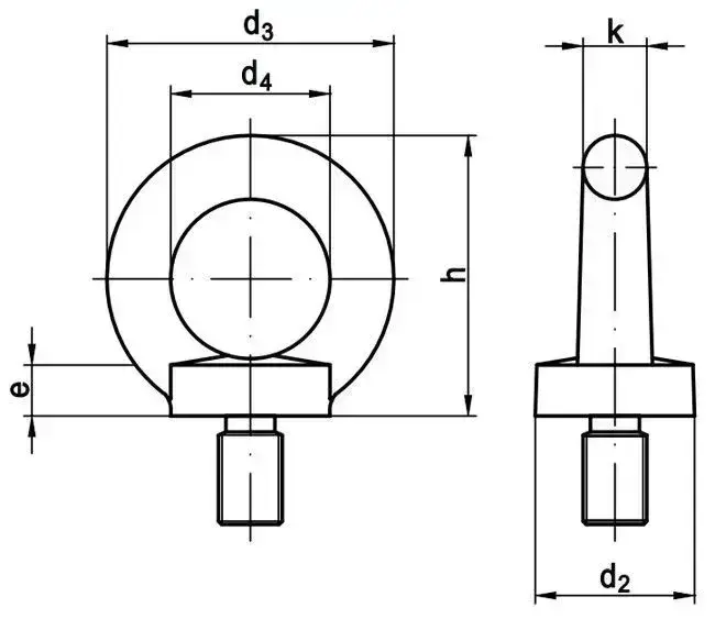
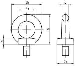
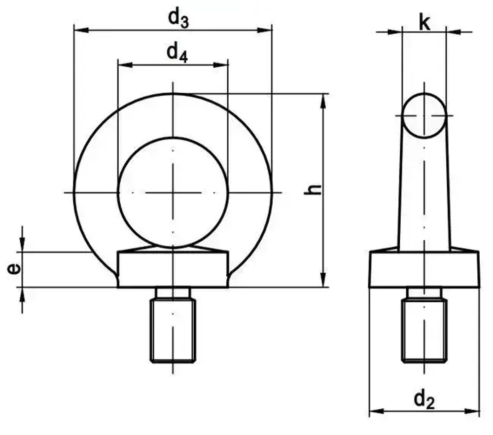
Рым болты и гайки
Отзывы
Отзывов еще никто не оставлял
