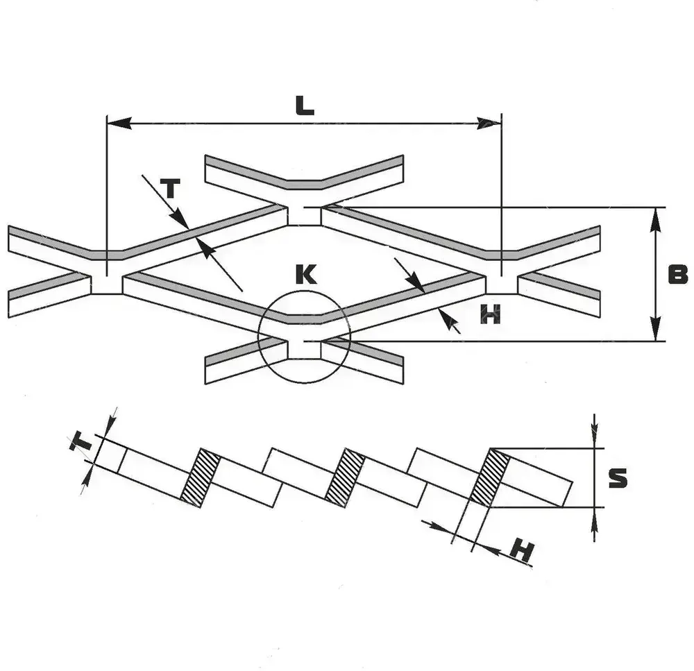
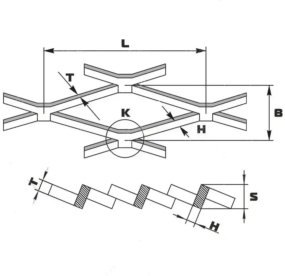
Характеристики
Отзывы
Характеристики
Бренд
Сетка строительная
Отзывы
Отзывов еще никто не оставлял
